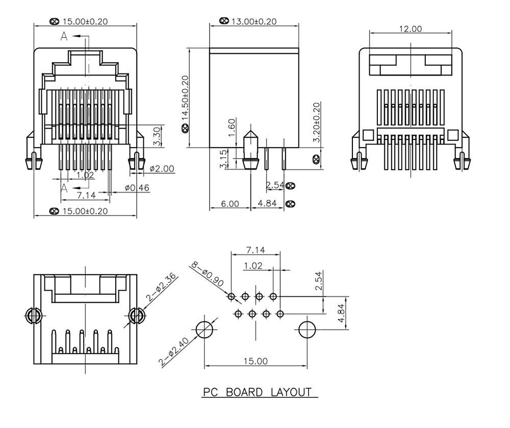
8001 1X1 10P8C 全塑
详情
底部联系方式
上海汇勤电子科技有限公司
地址:上海市闵行区都会路2338号总部1号企业园40号楼3层 邮编:201108
电话:021-64128995 64120224 手机:13386093071
