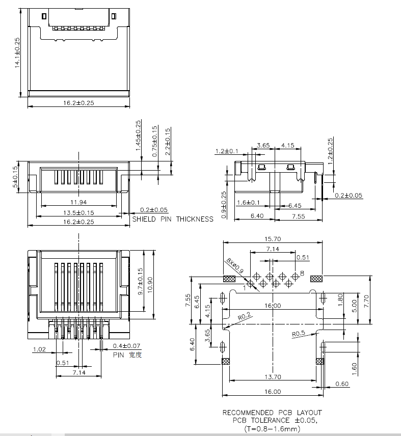
8109 半截式

8109 半截式