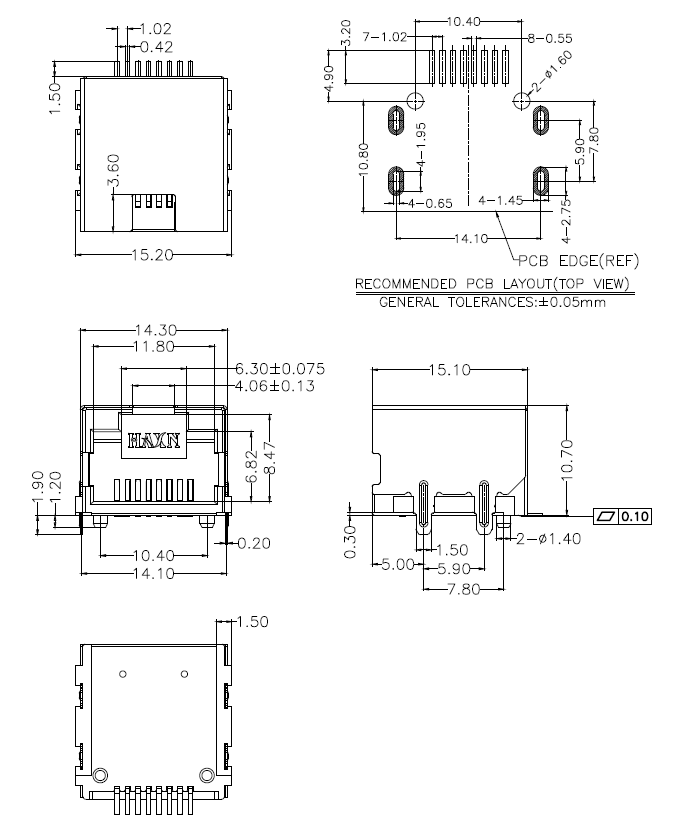
8415 半包 SMT 无灯

8415 半包 SMT 无灯