详情
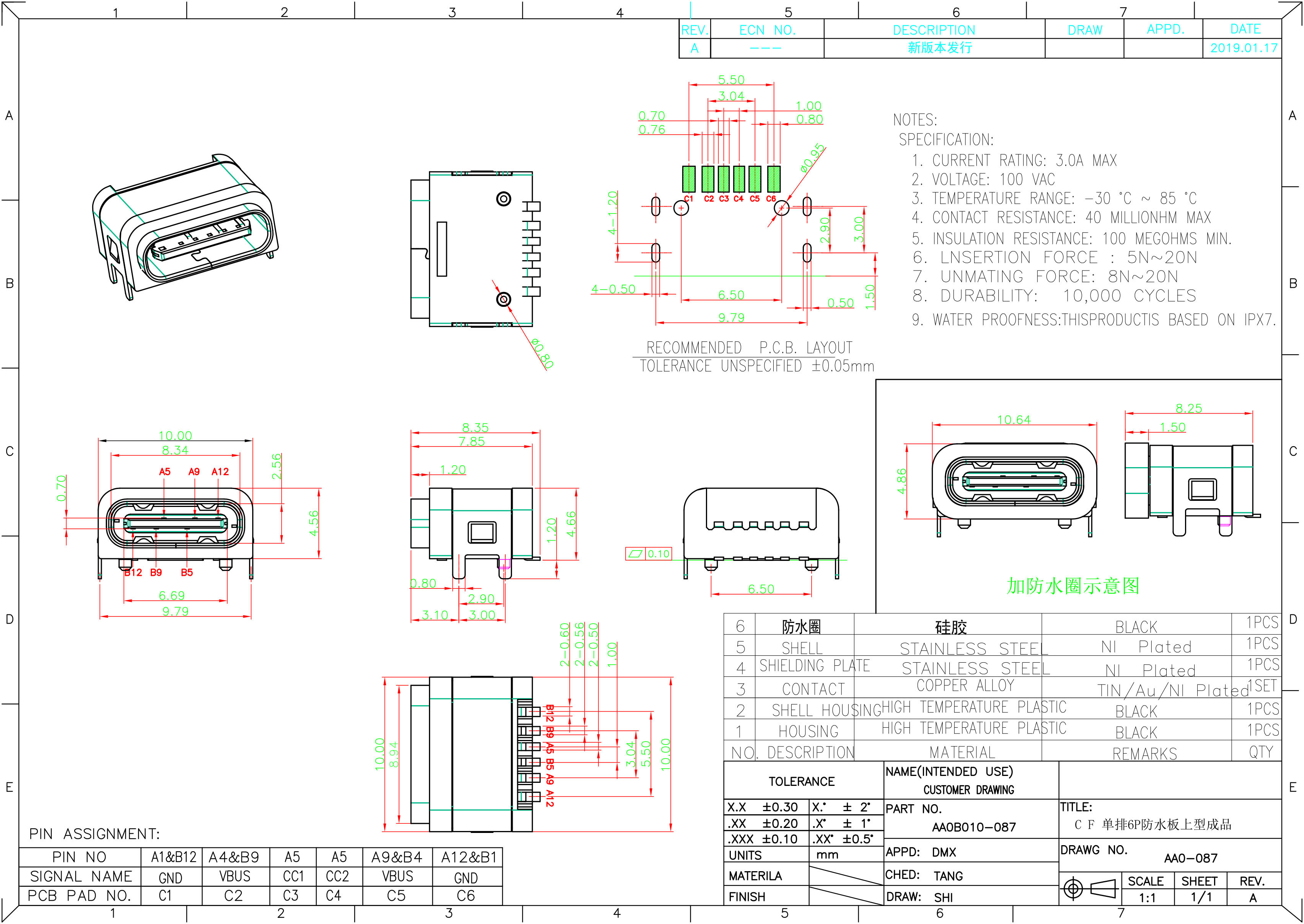
ZL-297TYPE C母座6P四脚-防水
详情