详情
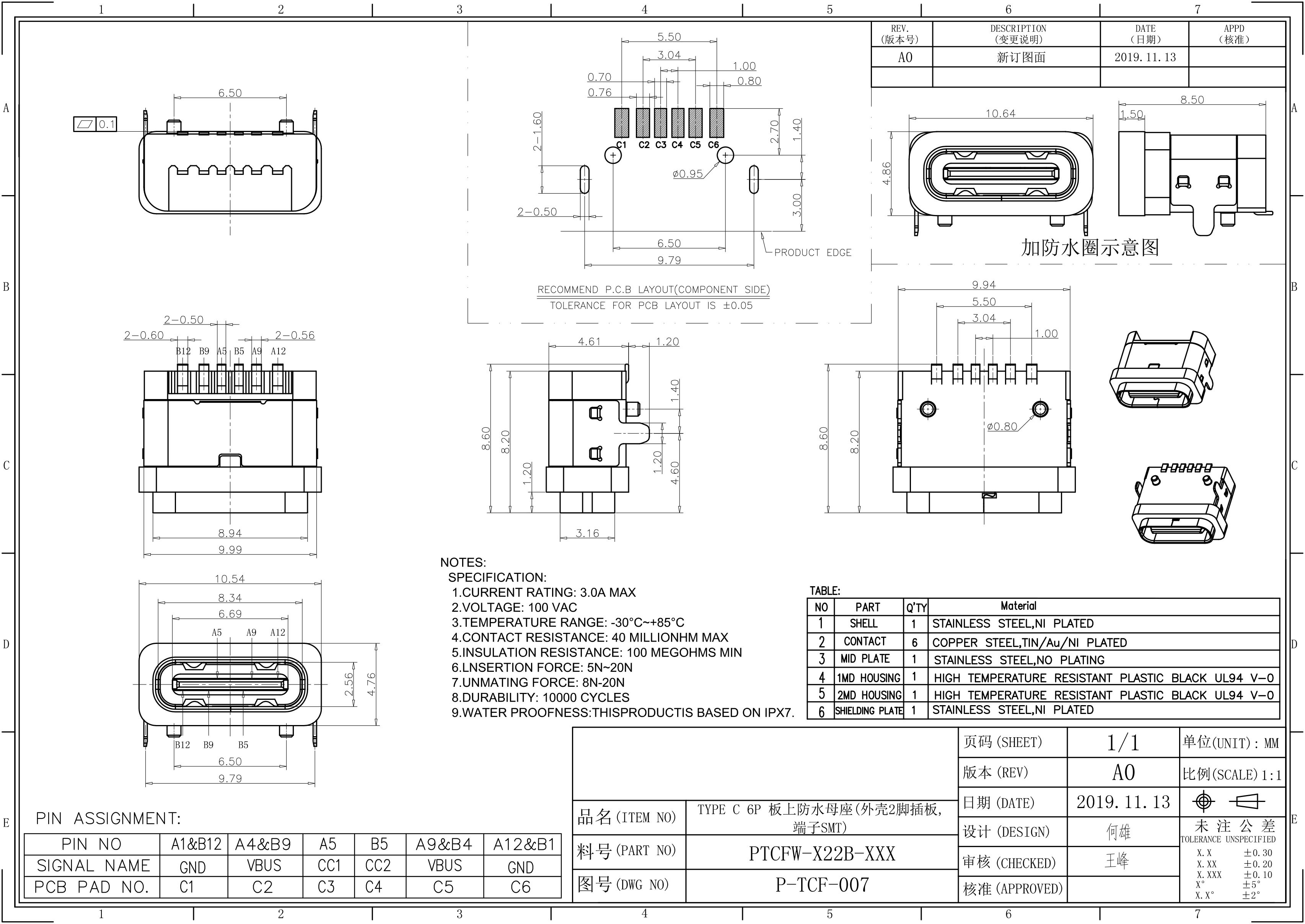
ZL-298TYPE C母座6P两脚-防水
详情